Zubehör für Einholmleitern und Fallschutz aus Stahl und VA
-
Produkte
-
Mobile Leitern
- Stufenleitern und Sprossenleitern
- Tritte, Standroste, Klappböcke und Arbeitsdielen
- Arbeitsbühnen und Podestleitern
- Branchenlösungen und Sonderkonstruktionen
- Zubehör für Arbeitsbühnen und Podestleitern
- Zubehör für Mobile Leitern
- Zubehör für Regalleitern
- Zubehör für Treppen und Überstiege
- Zubehör für Tritte
-
Ortsfeste Leitern
- Zweiholmleitern und Steigleitern
-
Zubehör für Zweiholmleitern und Steigleitern
- Anschlussbögen und Fußplatten
- Befestigungsmaterial
- Besteigesicherung
- Einstieghilfen und Haltegriffe
- Endanschläge und Befestigungsmaterial
- Fußplatten an Regalanlagen
- Haltegriffe
- Holmbügel, Übersteigteile und Ausstiegsteile
- Plattformen und Standroste
- Podeste
- Rückenschutz
- Standroste
- Türchen und Schranken
- Wandbefestigungen
- Sonstiges Zubehör
- Wandbefestigungen an Regalanlagen
- Kappen
- Einholmleitern und Fallschutzschienen
- Zubehör für Einholmleitern und Fallschutz aus Stahl und VA
- Zubehör für Einholmleitern und Fallschutz aus Aluminium
- Steigeisen
- Sprossenprofile
- Zubehör für Vario-Rail
- Treppen, Überstiege und Laufstege
- Ausstiegsgeländer und freistehende Absturzsicherungen
- Rettungstechnik
- PSA
- Clifter / Steighilfe
- Rohrverbinder
- Bodentreppen
- Gerüste und Arbeitsbühnen
- Ersatzteile
-
Mobile Leitern
- Konfigurator
- Branchen
- Service
- Unternehmen
- Kontakt
- Jobs + Karriere
Filter
–
360° Gegenhalter für aufsteckbare Einstieghilfen
Bei Verwendung des Gegenhalters muss an der Fallschutzschiene der ortsfesten Leiter ein zusätzlicher beweglicher Endanschlag oben (Bestell-Nr. 0529 4007 00) montiert werden (nicht enthalten).Wie Gegenhalter. Die aufsteckbare Einstieghilfe kann jedoch nach links oder rechts um 180° gedreht werden. Dadurch ist der Einstieg oder Ausstieg auf engstem Raum möglich.
597,00 €*
Aufsteckbare Einstieghilfen DBGM
Am oberen Ende jeder Fallschutzanlage muss ein Gegenhalter und ein Endanschlag montiert werden.Für den gesicherten Ein- bzw. Ausstieg in abgedeckte Schächte.
Die aufsteckbare Einstieghilfe kann abgenommen werden, um sie z. B. auch bei anderen Fallschutzleitern zu verwenden. Die aufsteckbare Ein-stieghilfe besteht aus einem Fallschutzschienenstück mit 2 Paar Haltegriffen und einer zusätzlichen Sprosse, um den Abstieg zur ersten, evtl. wegen des Schmutzfängers sehr tief liegenden Sprosse der Schachtleiter zu erleichtern. Die Einstieghilfe ist mit einer Abhebesicherung ausgestattet. Am oberen Ende der Einstiegshilfe befindet sich ein Endanschlag. An der Leiter muss ein Endanschlag Bestell-Nr. 0529 4007 00 am oberen Ende montiert werden (nicht enthalten).
Nutzlänge ca. 1,20 m. Gewicht ca. 7,8 kg.
Nutzlänge ca. 1,60 m. Gewicht ca. 15 kg. Zur Benutzung muss ein zusätzlicher Wandhalter montiert werden.
427,00 €*
Bewegliche Endanschläge
Endanschläge müssen am oberen und unteren Ende und an allen Unterbrechungen einer Fallschutzschiene angeordnet werden. Sie verhindern das Herauslaufen des Fallschutzläufers aus der Schiene. Bis 9° Vorwärtsneigung geeignet. Falls die Leiter noch flacher eingebaut wird, muss eine Entnahmeklappe verwendet werden.Fallen willensunabhängig in Schutzstellung.
54,50 €*
Bügelschrauben – eckig
Für die Befestigung der Schienen an den Leitersprossen und für die Stöße.
Für vierkantige Leitersprossen bis 30 x 30 mm.
6,40 €*
Bügelschrauben – eckig (inkl. Distanzrohren)
Für die Befestigung der Schienen an den Leitersprossen und für die Stöße.
Für vierkantige Alu-Leitersprossen bis 30 x 30 mm (inkl. Distanzrohren).
33,00 €*
Bügelschrauben – eckig für U-Profil-Leitersprossen (inkl. 1 Distanzrohr)
Für die Befestigung der Schienen an den Leitersprossen und für die Stöße. Für U-Profil-Leitersprossen bis 25 x 25 mm (inkl. 1 Distanzrohr).
6,70 €*
Einklappbares Ruhepodest
Abstände der Ruhepodeste entsprechend den Anwendungsbereichen und zugeordneten Regelwerken (Normen).Bestehend aus 2 Standflächen von jeweils 130 x 300 mm, die bedienungsfreundlich einzeln mit dem Fuß ein- bzw. ausgeklappt werden.
296,00 €*
Einschwenkbare Einstieghilfen
Für den sicheren Ein- bzw. Ausstieg.
Erfüllt die Forderungen der DIN 18799: 2019 und der DIN EN ISO 14122-4.
Eingehakt in den Fallschutzläufer rastet der Benutzer das obere Teilstück der Leiter aus und schwenkt es um den am feststehenden Leiterteil angebrachten Drehpunkt. Da er durch den Fallschutzläufer mit dem schwenkbaren Teilstück verbunden ist, muss der Benutzer die Schwenkbewegung mit ausführen und steht danach sicher auf dem zu besteigenden Objekt. Dort klinkt er sich aus dem Fallschutzläufer aus. Vormontiert, bauseits nur noch mit zwei Schrauben am Holmbügel anzuklemmen.
Die Leiteranlage muss mit zwei Holmbügeln ausgerüstet sein.
Die Montage einer Plattform ist nach allen Regelwerken erforderlich. Typ 0529.2310 (siehe Seite 49).
Zusätzlich zu dem Endanschlag an der Einstiegshilfe muss an der Leiter ein Endanschlag Bestell-Nr. 0529 4007 00 am oberen Ende montiert werden (nicht enthalten).
Die einschwenkbare Einstieghilfe ist Bestandteil eines Fallschutzsystems nach der DIN EN 353-1.
Zugangssicherungsseil
Beim Verlassen eines Fallschutzsystems aus einer einschwenkbaren Einstiegshilfe kann sich zusätzlich durch ein Zugangssicherungsseil geschützt werden.
Details siehe Katalogteil »Persönliche Schutzausrüstungen«
443,00 €*
Einschwenkbare Einstieghilfen
Für den sicheren Ein- bzw. Ausstieg.
Erfüllt die Forderungen der DIN 18 799: 2019 und DIN EN ISO 14122-4.
Eingehakt in den Fallschutzläufer rastet der Benutzer das obere Teilstück der Leiter aus und schwenkt es um den am feststehenden Leiterteil angebrachten Drehpunkt. Da er durch den Fallschutzläufer mit dem schwenkbaren Teilstück verbunden ist, muss der Benutzer die Schwenkbewegung mit ausführen und steht danach sicher auf dem zu besteigenden Objekt. Dort klinkt er sich aus dem Fallschutzläufer aus. Bauseits am Bauwerk anzudübeln. Vormontiert.
Schwenkbereich ca. 100°. Nutzlänge ca. 1 m.
Für die Befestigung am Bauwerk sind 16 Stck. Dübel erforderlich – siehe Seite 98.
Zusätzlich zum Endanschlag an der Einstiegshilfe muss an der Leiter ein Endanschlag Bestell-Nr. 0529 4007 00 am oberen Ende montiert werden (nicht enthalten).
Die einschwenkbare Einstieghilfe ist Bestandteil eines Fallschutzsystems nach der DIN EN 353-1.
Zugangssicherungsseil
Beim Verlassen eines Fallschutzsystems aus einer einschwenkbaren Einstiegshilfe kann sich zusätzlich durch ein Zugangssicherungsseil geschützt werden.
Details siehe Katalogteil »Persönliche Schutzausrüstungen«
848,00 €*
Entnahmeklappe
Zum unfallsicheren, schnellen und bequemen Einführen bzw. Entnehmen des Fallschutzläufers innerhalb einer Leiteranlage.
Maß von Standfläche bis Entnahmeklappe ca. 1 m oder nach Angabe.
Es werden keine Endanschläge für diese Entnahmeklappe benötigt.
170,00 €*
Fester Endanschlag
Zur Anbringung am oberen Leiterende, wenn der Fallschutzläufer nicht entnommen werden muss.
Zur einer kompletten Fallschutzanlage gehören weiterhin:
Fallschutzläufer (Passende Fallschutzläufer Typenreihe 0529.60 und 0529.74) und Auffanggurte (siehe »Persönliche Schutzausrüstungen«)
Befestigungsdübel (Seite 98) · Kennzeichnungsschilder (Seite 99)
22,00 €*
Gegenhalter
Bei Verwendung des Gegenhalters muss an der Fallschutzschiene der ortsfesten Leiter ein zusätzlicher beweglicher Endanschlag oben (Bestell-Nr. 0529 4007 00) und eine zusätzliche Bügelschraube an der 3. Sprosse von oben montiert werden (nicht enthalten).Eine einzige aufsteckbare Einstieghilfe kann im Fahrzeug mitgeführt und für beliebig viele Schachtleitern benutzt werden. Dazu muss jedoch an jeder Leiter eine Gegenhalter montiert werden.
199,00 €*
Gegenhalter für aufsteckbare Einstieghilfen
Bei Verwendung des Gegenhalters muss an der Fallschutzschiene der ortsfesten Leiter ein zusätzlicher beweglicher Endanschlag oben (Bestell-Nr. 0529 4007 00) und eine zusätzliche Bügelschraube an der 3. Sprosse von oben montiert werden (nicht enthalten).Eine einzige aufsteckbare Einstieghilfe kann im Fahrzeug mitgeführt und für beliebig viele Schachtleitern benutzt werden. Dazu muss jedoch an jeder Leiter ein Gegenhalter montiert werden.
Alle Teile aus Edelstahl V4A.
112,00 €*
Kennzeichnungsschilder
Aus beschriftbarem Kunststoff bzw. Folie. Größe ca. 170 x 100 mm, bzw. 170 x 120 mm
Bei allen ortsfesten Steigleitern muss nach DIN 18799-1:2019, DIN 18799-2:2019, DIN 14094-1:2017 und DIN EN ISO 14122-4:2016 ein Kennzeichnungsschild angebracht werden.
Auf dem Kennzeichnungsschild kann die aufgeführte Norm angekreuzt werden. Zusätzlich gilt für alle ortsfesten Steigleitern mit Steigschutzschiene die Kennzeichnungspflicht für jede Ein- und Austrittsstelle. Das Kennzeichnungsschild ist somit Bestandteil einer kompletten Fallschutzanlage. Das heißt, dass an Steigleitern mit Fallschutzschiene BEIDE Kennzeichnungsschilder anzubringen sind; bei Steigleitern mit Rückenschutz nur das Schild 0173 bzw. 0174. Falls die Leiteranlage eine Sicherungstür oder -platte beinhaltet, so gehört ein Kennzeichnungsschild in deutscher und englischer Sprache zum Lieferumfang. Andere Sprachen auf Anfrage.
Typ 0174 / 0176 zum Anschrauben
Bauseits am Baukörper zu montieren Inkl. 4 Dübeln und 4 Befestigungsschrauben aus Messing
Typ 0173 / 0175 zum Aufkleben
Aus Folie zum Aufkleben. Falls die Leiter mit einer Sicherungstür ausgestattet ist, kann das Kennzeichnungsschild witterungsgeschützt auf die Innenseite der Tür aufgeklebt werden.
13,50 €*
Klemmschienen
Für runde Leitersprossen und Steigeisen bis Ø 20 – 25 mm.
Inkl. spezieller Befestigungsschrauben.
36,50 €*
Ruhepodest einteilig, Windkraft
Für die Befestigung an der Sprosse, an der das Ruhepodest aufliegt, muss bei Typ 0529.19.04 eine zusätzliche Bügelschraube und bei Typ 0630.19.04 eine zusätzliche Schelle angebracht werden. Diese ist im Lieferumfang nicht enthalten, bitte ordern Sie diese separat.Stufen aus Riffelblech
Klappbar, aus Stahl feuerverzinkt für Leitern ab lichte Weite 400 mm, nur für die Befestigung an der HACA-Fallschutzschiene. Kann mit dem Fuß ein- bzw. ausgeklappt werden.
310,00 €*
Sicherungstür
Besonders stabil · Komfortabel in der Handhabung
Sehr wirkungsvoller Schutz gegen unbefugtes Besteigen durch bis zum Bauwerk reichende Seitenverkleidungsbleche. Das Öffnen und Schließen erfolgt über ein Vorreiberschloss. Zum Anklemmen an die Leiter.
Bauseitige Montage.
Nutzlänge ca. 2,52 m. Inklusiv Kennzeichnungsschild.
1.259,00 €*
Verstellbare Wandbefestigungen für gerade Schachtwände
Erforderlich als oberster Wandbefestigungsbügel bei Verwendung einer aufsteckbaren Einstieghilfe. Abstand Bauwerk/Vorderkante Fallschutzschiene ca. 195 mm. Inkl. Bügelschraube für die Befestigung an der Fallschutzschiene.
84,00 €*
Verstellbare Wandbefestigungsbügel** für ebene und runde Bauwerke, Ø ≥ 120 mm.
Wandbefestigungen sind im Abstand von max. 1,68 m anzuordnen, es sind jedoch mindestens 2 Befestigungspunkte pro Leiterteil vorzusehen. Leiterzüge Typ 0544.14/0944.14 sind im Abstand von 0,98 m anzuordnen. Für Beton geeignete Dübel Typ 0529.51.09 siehe Zubehör für Einholm-Leitern Seite 98.
** Verstellbare Wandbefestigungen dienen zum Ausgleich von Untergrund-Rücksprüngen. Wenn eine Leiter komplett mit verstellbaren Wandbefestigungen montiert werden soll, ist ein gesonderter statischer Einzelnachweis erforderlich!Inkl. Bügelschraube Typ 0529.86.01 bzw. Typ 0929.86 für die Befestigung der Leiter.
Abstand Bauwerk/Vorderkante Fallschutzschiene variabel.
* Andere Längen auf Anfrage
136,00 €*
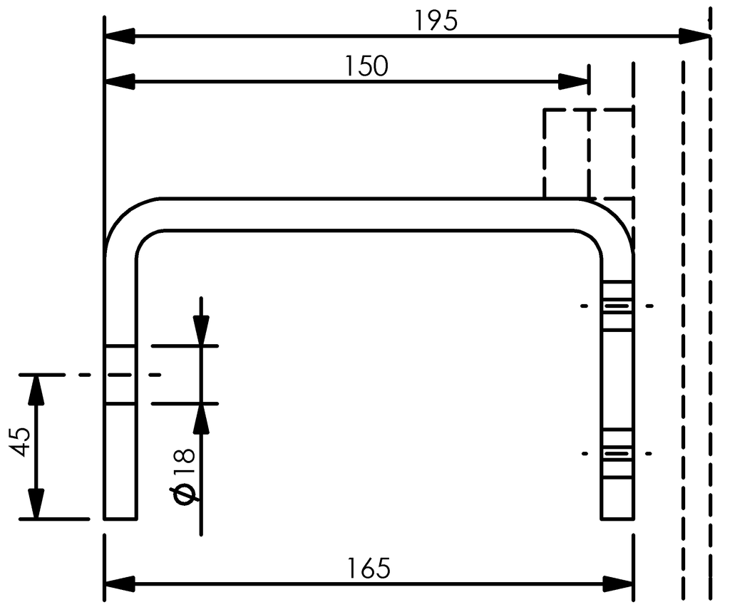
Wandbefestigungen für ebene und runde Bauwerke
Inkl. Bügelschraube Typ 0529.86.01 bzw. Typ 0929.86 für die Befestigung der Leiter.
Abstand Bauwerk/Vorderkante Fallschutzschiene ca. 195 mm.
36,00 €*
Wandbefestigungen für runde und ebene Bauwerke
Abstand Bauwerk/Vorderkante Fallschutzschiene ca. 150 mm. Inkl. Bügelschraube für die Befestigung an der Fallschutzschiene
38,50 €*
Wandbefestigungsbügel für ebene Bauwerke
Inkl. Bügelschraube Typ 0529.86.01 bzw. Typ 0929.86 für die Befestigung der Leiter.
Abstand Bauwerk/Vorderkante Fallschutzschiene ca. 195 mm.
34,00 €*
Wandbefestigungsbügel für ebene und runde Bauwerke, Ø ≥ 200 mm.
Inkl. Bügelschraube Typ 0529.86.01 bzw. Typ 0929.86 für die Befestigung der Leiter.
Abstand Bauwerk/Vorderkante Fallschutzschiene ca. 195 mm.
46,00 €*
Weichen
Über die Weiche in Form einer Drehscheibe kann der Benutzer den Fallschutzläufer aus der lotrechten Fallschutzleiter in die waagrechte Fallschutzschiene überführen und umgekehrt. Der Anfrage bitte eine Situationsskizze beifügen. Aus Edelstahl, Lagerbuchse aus Bronze.
Preis auf Anfrage

Haca Online-Konfigurator
Ihre maßgeschneiderten Steiglösungen & Leitern
Mit unserem benutzerfreundlichen Online-Konfigurator können Sie jetzt Ihre Traumleiter nach Ihren individuellen Bedürfnissen gestalten. Entdecken Sie die Vorteile:
Entdecken Sie die Vorteile:
- Maßgeschneidert für Sie
- Maximale Sicherheit
- Einfache Nutzung
